电流互感器依据电磁感应原理将一次侧大电流转换成二次侧小电流供仪器使用。电流互感器是由闭合的铁心和绕组组成。它的一次侧绕组匝数很少,在电气回路中需串在需要测量的电流的线路中。
filter_1电流互感器型号
电流互感器型号由以下几部分组成,各部分字母、符号表示内容:
f

- 第1个字母:L——电流互感器
- 第2个字母:F——风压式;M——母线式(穿芯式)
- 第3个字母:C——瓷绝缘式;Z——浇注式
- 第4个字母:B——保护;D——差动
- 第5项字母/数字:数字——电压等级(kV)。
例如:LMZ—0.66表示用环氧树脂浇注的穿芯式电流互感器 0.66kV。
额定工作电压,互感器允许长期运行的最高相同电压有效值。
额定一次电流,作为互感器性能基准的一次电流值。
额定二次电流,作为互感器性能基准的二次电流值,通常为5A或1A。
额定电流比,额定一次电流与额定二次电流之比。
额定负荷,确定互感器准确级所依据的负荷值。电流互感器二次K1、K2端子以外的回路阻抗都是电流互感器的负荷。通常以视在功率伏安或以阻抗欧姆表示。
额定功率因数,二次额定负荷阻抗的有功部分与额定阻抗之比。
准确度等级,在规定使用条件下,互感器的误差在该等级规定的限值之内电力工程中计量,常用的等级有0.2、0.5、0.2S、0.5S等。
filter_2测量用电流互感器接线方法
测量用电流互感器的作用是指在正常电压范围内,向测量、计量装置提供电网电流信息。
1、普通电流互感器接线图

电流互感器的一次侧电流是从P1端子进入,从P2端子出来;即P1端子连接电源侧,P2端子连接负载侧。
电流互感器的二次侧电流从S1流出,进入电流表的正接线柱,电流表负接线柱出来后流入电流互感器二次端子S2,原则上要求S2端子接地。注:某些电流互感器一次标称,L1、L2,二次侧标称K1、K2。
2、穿心式电流互感器接线图

穿心式电流互感器接线与普通电流互感器类似,一次侧从互感器的P1面穿过,P2面出来,二次侧接线与普通互感器相同。
filter_3电流互感器接线图
电流互感器接线总体分为四个接线方式:
1、单台电流互感器接线图
只能反映单相电流的情况,适用于需要测量一相电流的情况。

单台电流互感器接线示意图
2、三相完全星形接线和三角形接线形式电流互感器接线图
三相电流互感器能够及时准确了解三相负荷的变化情况。

三相完全星形电流互感器接线图

三相完全三角形电流互感器接线图
3、两相不完全星形接线形式电流互感器接线图
在实际工作中用得最多,但仅限于三相三线制系统。它节省了一台电流互感器,根据三相矢量和为零的原理,用A、C相的电流算出B相电流。

两相不完全星形接线形式电流互感器接线图
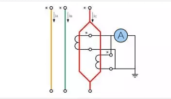
4、两相差电流接线形式电流互感器接线图
也仅用于三相三线制电路中,这种接线的优点是不但节省一块电流互感器,而且也可以用一块继电器反映三相电路中的各种相间短路故障,亦即用最少的继电器完成三相过电流保护,节省投资。

两相差电流接线形式电流互感器接线图
5、其它接线方式
5.1 原边串联、副边串联
电流互感器原边串联、副边串联接线图如下所示,串联后效果:互感器变比不变,二次额定负荷增大一倍。

电流互感器原边串联、副边串联接线图
5.2 原边串联、副边并联
电流互感器原边串联、副边并联接线图如下所示,串并联后效果:互感器变比减小一倍,二次额定负荷增大一倍。

电流互感器原边串联、副边并联接线图
5.3 原边并联、副边串联
电流互感器原边并联、副边串联接线图如下所示,串并联后效果:互感器变比增大一倍,二次额定负荷增大一倍。

电流互感器原边并联、副边串联接线图
5.4 原边并联、副边并联
电流互感器原边并联、副边并联接线图如下所示,并联后效果:互感器变比不变,二次额定负荷增大一倍。

电流互感器原边并联、副边并联接线
本文由 北极星 所刊发文章仅为学习交流之用,无商业用途,向原作者致敬。若有侵权请联系我们,我们将及时删文或者付费转载并注明出处,感谢您的支持!

微信扫一扫
支付宝扫一扫





