电流、电压互感器的规格、品种分超高压、高压、低压,各种变比的互感器的数量和接线方法,主要是由供电电压及供电方式来决定的。
电流互感器接线方法

电流互感器的作用
在发电、变电、输电、配电和用电的线路中电流大小悬殊,从几安到几万安都有。为便于测量、保护和控制需要转换为比较统一的电流,另外线路上的电压一般都比较高如直接测量是非常危险的。电流互感器就起到电流变换和电气隔离作用。对于指针式的电流表,电流互感器的二次电流大多数是安培级的(如5A等)。对于数字化仪表,采样的信号一般为毫安级(0-5V、4-20mA等)。微型电流互感器二次电流为毫安级,主要起大互感器与采样之间的桥梁作用。

电流互感器接线
1、单台电流互感器的接线形式
只能反映单相电流的情况,适用于需要测量一相电流或三相负荷平衡,测量一相就可知道三相的情况,大部分接用电流表。
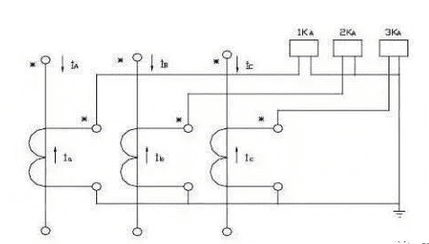
2、三相完全星形接线和三角形接线形式

三相电流互感器能够及时准确了解三相负荷的变化情况,多用在变压器差动保护接线中。只使用三相完全星形接线的可在中性点直接接地系统中用于电能表的电流采集。三相三继电器接线方式不仅能反应各种类型的相间短路,也能反应单相接地短路,所以这种接线方式用于中性点直接接地系统中作为相间短路保护和单相接地短路的保护。

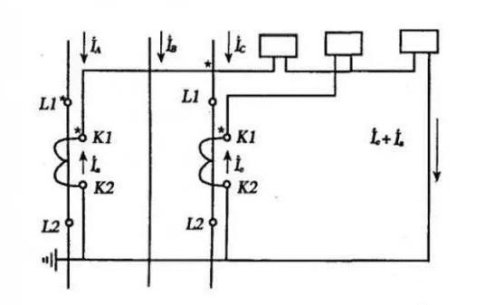
3、两相不完全星形接线形式
在实际工作中用得最多。它节省了一台电流互感器,用A、C相的合成电流形成反相的B相电流。二相双继电器接线方式能反应相间短路,但不能完全反应单相接地短路,所以不能作单相接地保护。这种接线方式用于中性点不接地系统或经消弧线圈接地系统作相间短路保护。
4、两相差电流接线形式
也仅用于三相三线制电路中,中性点不接地,也无中性线,这种接线的优点是不但节省一块电流互感器,而且也可以用一块继电器反映三相电路中的各种相间短路故障,亦即用最少的继电器完成三相过电流保护,节省投资。但故障形式不同时,其灵敏度不同。这种接线方式常用于 10kV 及以下的配电网作相间短路保护。由于此种保护灵敏度低,现代已经很少用了。电流互感器接线方法有很多,比较常用的有两相差电流接线形式、两相不完全形接线形式,大家可以根据实际情况来选择接线的方法。
本文为原创文章,作者:电力队-头条作者,如若转载,请通知我们,也请注明出处:https://dldui.com/ele-technology/wiring-method-of-current-transformer.html

微信扫一扫
支付宝扫一扫